شركة جيانغسو واندا الخاصة للمحامل المحدودة,
هذا الموقع هو الموقع الرسمي الوحيد ، وغيرها من مواقع مماثلة ، صور ، معلومات ، معلومات مسروقة . وسوف تحتفظ الشركة بالحق القانوني بأثر رجعي .

رمز السهم: 920002

الجملة تصنيع المعدات الأصلية/تصنيع التصميم الشخصي سلسلة SHG (SHF) محامل متقاطعة للمخفضات التوافقية

الصفحة الرئيسية / منتج / محامل الروبوت المخفض / سلسلة SHG (SHF) محامل متقاطعة للمخفضات التوافقية

سلسلة SHG (SHF) محامل متقاطعة للمخفضات التوافقية

يمكن تصنيف المحامل الأسطوانية المتقاطعة للمخفضات التوافقية إلى نوعين هيكليين رئيسيين وفقًا لتطبيقها: حلقة خارجية مقسمة مع حلقة داخلية مدمجة، وكل من الحلقات الخارجية والداخلية مدمجة. العناصر المتداول عبارة عن بكرات أسطوانية مرتبة بشكل متعامد مع بعضها البعض بزاوية 90 درجة داخل المجاري المائية على شكل حرف V. يمكّن هذا التصميم المحمل من تحمل الأحمال في جميع الاتجاهات في وقت واحد، بما في ذلك الأحمال المحورية والأحمال الشعاعية ولحظات الانقلاب. يتميز المحمل بالدقة العالية، والصلابة العالية، والاحتكاك المنخفض، وقدرة الحمل المجمعة.


تم تصميم كل من الحلقة الخارجية والحلقة الداخلية لهذا المحمل كهياكل متكاملة. أثناء التثبيت، يتأثر الأداء إلى الحد الأدنى، مما يسمح بالحفاظ على دقة الدوران المستقرة وعزم الدوران. يتم استخدامه بشكل رئيسي في قسم الإخراج لمخفضات سلسلة SHG وSHF.


الاحتياطات

قبل التثبيت، قم بتنظيف مبيت المحمل والعمود ومكونات التزاوج الأخرى جيدًا لإزالة الزيت والملوثات والحطام. تأكد من عدم وجود نتوءات أو حواف حادة. تحقق من أن تفاوتات التركيب بين تجويف المبيت والقطر الخارجي للمحمل، وكذلك بين مجلة العمود والقطر الداخلي للمحمل، تلبي المتطلبات المحددة.


عند ربط مسامير التثبيت، يجب أن تتم عملية التثبيت تدريجيًا على 3 إلى 4 مراحل، من الشد الجزئي إلى الشد الكامل. اتبع تسلسلًا قطريًا (نمطًا متقاطعًا) وكرر عملية الشد. يمكن تحديد عزم ربط البراغي من خلال الرجوع إلى قيم عزم الدوران الموصى بها لمسامير تثبيت محمل الأسطوانة المتقاطعة في الجدول أدناه.

+86-513-80311111 / +86-13739151958 [email protected]
  • معامل
  • أبعاد
  • الحصول على أسعار مجاني

نموذج تحمل

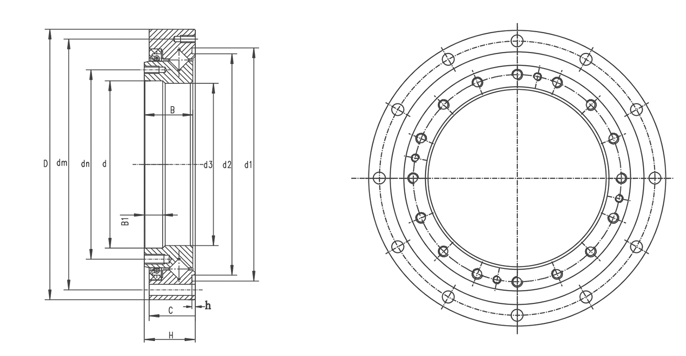
الأبعاد الخارجية الأساسية

فتحات تركيب الحلقة الخارجية

فتحات تركيب الحلقة الداخلية

الحمل المقدر الأساسي

وزن المنتج

كجم

د

د3

د

ح

ج

ب

ب1

د1

د2

ح

دm

حجم ثقب التركيب 1

حجم ثقب التركيب 2

(الجانب الخلفي من الختم)

دn

حجم فتحة التركيب

(الجبهة مختومة)

حجم فتحة التركيب

(الجبهة مختومة)

جr

جor

الوحدة: مم

كن

اس اتش جي (شف)-14

φ38

φ36

φ70

15.1

14.1

14.6

5

φ57

φ53

1.2

φ64

8-φ3.5

2-M3 (عمق الحرير 8)

φ44

12-M3 (عمق الحرير 6)

/

5.8

8.6

0.25

إس إتش جي (شف)-17

φ47

φ44.1

φ80

17

16

16.4

6.5

φ68.1

φ64.1

1.2

φ74

12-φ3.5

4-M3 (عمق الحرير 8)

φ54

20-M3 (عمق الحرير 6)

/

10.4

16.3

0.35

إس إتش جي (شف)-20

φ54

/

φ90

18.5

17.5

17.5

/

f78

φ72.6

1.6

φ84

12-φ3.5

4-M3 (عمق الحرير 6)

φ62

16-M3 (عمق الحرير 6)

4-M3 (عمق الحرير 6)

14.6

22

0.5

إس إتش جي (شف)-25

φ67

φ65

φ110

20.7

18.7

19.7

7.5

φ94.8

φ90

1.45

φ102

12-φ4.5

4-M3 (عمق الحرير 6)

ص77

16-M4 (عمق الحرير 8)

4-M3 (عمق الحرير 6)

21.8

35.8

0.8

إس إتش جي (شف)-32

f88

φ84

φ142

24.4

23.4

23.4

8

φ123

φ117.6

1.6

φ132

12-φ5.5

4-M4 (عمق الحرير 8)

φ100

16-M5 (عمق الحرير 8)

4-M4 (عمق الحرير 8)

38.2

65.4

1.65

اس اتش جي (شف)-40

φ108

φ106

φ170

30

29

28.5

9.5

φ148

φ142.6

1.55

φ158

12-φ6.6

6-M4 (عمق الحرير 9)

φ122

16-M6 (عمق الحرير 10)

4-M5 (عمق الحرير 10)

43.3

81.6

2.8

إس إتش جي (شف)-45

φ120

φ118

φ190

33

32

34.5

10

φ170

φ164

1.55

φ180

18-φ6.6

6-M4 (عمق الحرير 8)

φ140

12-M8 (عمق الحرير 10)

4-M5 (عمق الحرير 8)

77.6

135

4.3

إس إتش جي (شف)-50

φ135

φ129

φ214

36

34

34.5

/

φ188

φ182.6

1.6

φ200

12-φ9

6-M5 (عمق الحرير 12)

φ154

16-M8 (عمق الحرير 12)

8-M5 (عمق الحرير 10)

81.6

149

5

احصل على عروض أسعار مجانية


معلومات عنا
شركة جيانغسو واندا الخاصة للمحامل المحدودة,
شركة جيانغسو واندا الخاصة للمحامل المحدودة,
Jiangsu Wanda Special Bearing Co., Ltd. هي مؤسسة وطنية ذات تقنية عالية وكانت تُعرف سابقًا باسم مصنع Rugao Bearing Factory المملوك للدولة. Jiangsu Wanda Special Bearing Co., Ltd. يكون الجملة تصنيع المعدات الأصلية/تصنيع التصميم الشخصي سلسلة SHG (SHF) محامل متقاطعة للمخفضات التوافقية الموردين و سلسلة SHG (SHF) محامل متقاطعة للمخفضات التوافقية مصنع. تأسست الشركة في عام 1969 وتحولت إلى مؤسسة خاصة في عام 2001. ولديها تاريخ لأكثر من 50 عامًا من البحث والتطوير الاحترافي وتصنيع وبيع المحامل. لقد كانت الشركة المصنعة الأولى المعينة في البلاد لدليل الصاري والمحامل الأسطوانية المتسلسلة. الشركة الرائدة في صياغة المعايير الفنية JB/T7360 وواحدة من الدفعة الأولى من الشركات المتخصصة الجديدة "Little Giant" في البلاد.
شهادة الشرف
  • جائزة التميز في الإنتاج لعام 2019
  • جائزة التميز في الإنتاج لعام 2016
  • جائزة التميز في الإنتاج لعام 2012
  • مورد ممتاز
  • مورد ممتاز
  • مورد ممتاز
  • جائزة القوة الذهبية
  • مورد ممتاز للأجزاء المساعدة
  • الشركات الوطنية الرائدة في مجال التصنيع (المنتجات)
  • الشركات العملاقة الصغيرة في مقاطعة جيانغسو
  • صناعة المحامل الوطنية
  • صناعة المحامل الوطنية
أخبار

15050632597

+86-15050632597

15050632597