شركة جيانغسو واندا الخاصة للمحامل المحدودة,
هذا الموقع هو الموقع الرسمي الوحيد ، وغيرها من مواقع مماثلة ، صور ، معلومات ، معلومات مسروقة . وسوف تحتفظ الشركة بالحق القانوني بأثر رجعي .

رمز السهم: 920002

الجملة تصنيع المعدات الأصلية/تصنيع التصميم الشخصي سلسلة CSG (CSF) محامل متقاطعة للمخفضات التوافقية

الصفحة الرئيسية / منتج / محامل الروبوت المخفض / سلسلة CSG (CSF) محامل متقاطعة للمخفضات التوافقية

سلسلة CSG (CSF) محامل متقاطعة للمخفضات التوافقية

يمكن تصنيف المحامل الأسطوانية المتقاطعة للمخفضات التوافقية إلى نوعين هيكليين رئيسيين وفقًا لتطبيقها: حلقة خارجية مقسمة مع حلقة داخلية مدمجة، وكل من الحلقات الخارجية والداخلية مدمجة. العناصر المتداول عبارة عن بكرات أسطوانية مرتبة بشكل متعامد مع بعضها البعض بزاوية 90 درجة داخل المجاري المائية على شكل حرف V. يمكّن هذا التصميم المحمل من تحمل الأحمال في جميع الاتجاهات في وقت واحد، بما في ذلك الأحمال المحورية والأحمال الشعاعية ولحظات الانقلاب. يتميز المحمل بالدقة العالية، والصلابة العالية، والاحتكاك المنخفض، وقدرة الحمل المجمعة.


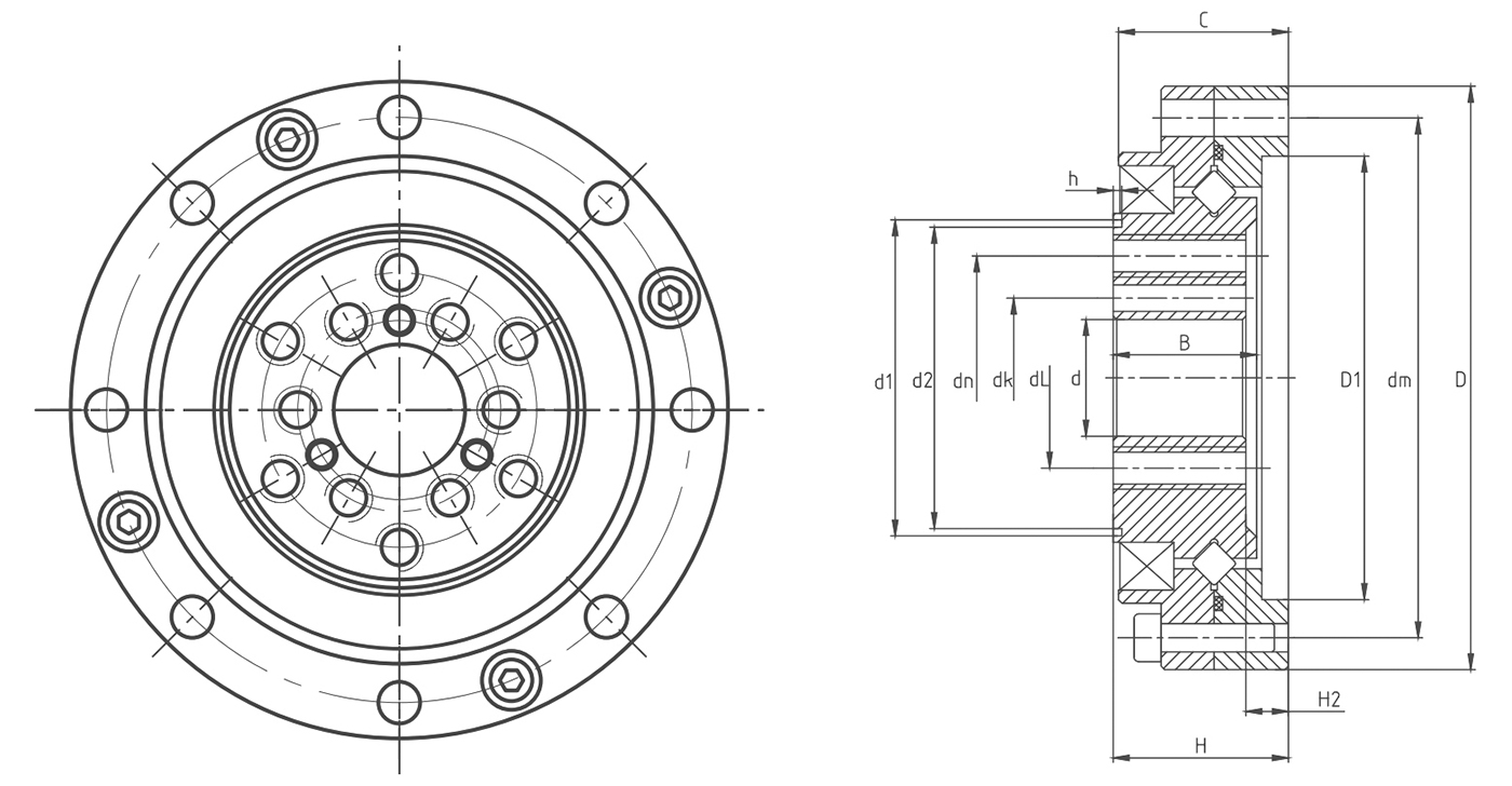
يعتمد نوع CSG (CSF) على حلقة خارجية منقسمة وتصميم حلقة داخلية متكاملة. لا يتطلب شفة أو غلاف محمل أثناء التثبيت ويستخدم بشكل أساسي في قسم الإخراج لمخفضات سلسلة CSG وCSF.


الاحتياطات

قبل التثبيت، قم بتنظيف مبيت المحمل والعمود ومكونات التزاوج الأخرى جيدًا لإزالة الزيت والملوثات والحطام. تأكد من عدم وجود نتوءات أو حواف حادة. تحقق من أن تفاوتات التركيب بين تجويف المبيت والقطر الخارجي للمحمل، وكذلك بين مجلة العمود والقطر الداخلي للمحمل، تلبي المتطلبات المحددة.


عند ربط مسامير التثبيت، يجب أن تتم عملية التثبيت تدريجيًا على 3 إلى 4 مراحل، من الشد الجزئي إلى الشد الكامل. اتبع تسلسلًا قطريًا (نمطًا متقاطعًا) وكرر عملية الشد. يمكن تحديد عزم ربط البراغي بالرجوع إلى قيم عزم الدوران الموصى بها لمسامير تثبيت محمل الأسطوانة المتقاطعة في الجدول أدناه.

+86-513-80311111 / +86-13739151958 [email protected]
  • معامل
  • أبعاد
  • الحصول على أسعار مجاني

نموذج تحمل

الأبعاد الخارجية الأساسية

فتحات تركيب الحلقة الخارجية

فتحات تركيب الحلقة الداخلية

ثقب تحديد المواقع الحلقة الداخلية

الحمل المقدر الأساسي

وزن المنتج

كجم

د

د

ح

ج

ب

ح2

د1

د1

د2

دm

حجم فتحة التركيب

دn

حجم فتحة التركيب

دL

حجم فتحة التركيب

دk

حجم فتحة التركيب

جr

جor

الوحدة: مم

كن

جSG(CSF)-14

φ11

φ55

16.5

16

13.5

4

φ41.8

φ29.8

φ28.4

φ49

8-φ3.5

φ23

6-م4

φ17

6-م4

φ15

3-φ3

4.7

6.7

0.21

جSG(CSF)-14K3

φ11

φ55

16.5

16

13.5

4

φ41.8

φ29.8

φ28.4

φ49

8-φ3.5

φ23

6-م4

φ17

6-م4

φ15

3-φ2.5

4.7

6.7

0.21

جSG(CSF)-17

φ10

φ62

16.5

16

13.5

4

φ49

φ36

φ33.8

φ56

10-φ3.5

φ27

6-م5

φ19

6-م5

φ15

3-φ3

5.3

7.5

0.25

جSG(CSF)-20

φ14

φ70

16.5

16

13.5

4.5

φ56.5

φ42.8

φ40

φ64

12-φ3.5

φ32

8-م6

φ24

8-م5

φ19

4-φ3

5.8

9.0

0.3

جSG(CSF)-25

φ20

φ85

18.5

18

16.5

3.5

φ67

φ55.3

φ52.6

φ79

16-φ3.5

φ42

8-م8

φ30

8-م6

φ26

4-φ3

9.6

15.1

0.5

جSG(CSF)-32

φ26

φ112

22.5

21.5

19

4.5

φ90

φ74

φ68.6

φ104

16-φ4.5

φ55

8-م10

φ40

8-م8

φ34

4-φ5

15

25

1.1

جSG(CSF)-40

φ32(24)

φ126

24

22.5

21.5

4.5

φ105

φ86

φ81.2

φ117

20-φ4.5

φ68

8-م10

φ50

8-م10

φ42

4-φ5

21.3

36.5

1.5

جSG(CSF)-45

φ32(25)

φ147

27

26

23

6

φ121

φ103

φ97.6

φ137

16-φ5.5

φ82

8-م12

φ54

8-م12

φ60

4-φ5

23

42.6

2.3

جSG(CSF)-50

φ40(32)

φ157

31

30

28

5

φ131.6

φ108

φ102.6

φ147

16-φ5.5

φ84

8-م14

φ60

8-م14

φ50

4-φ5

34.8

60.2

5

جSG(CSF)-65

φ52(44)

φ210

39

37

35

7

φ176

φ138

φ132.6

φ198

20-φ6.6

φ110

8-م16

φ80

8-م16

φ64

4-φ6

55.6

103

8

احصل على عروض أسعار مجانية


معلومات عنا
شركة جيانغسو واندا الخاصة للمحامل المحدودة,
شركة جيانغسو واندا الخاصة للمحامل المحدودة,
Jiangsu Wanda Special Bearing Co., Ltd. هي مؤسسة وطنية ذات تقنية عالية وكانت تُعرف سابقًا باسم مصنع Rugao Bearing Factory المملوك للدولة. Jiangsu Wanda Special Bearing Co., Ltd. يكون الجملة تصنيع المعدات الأصلية/تصنيع التصميم الشخصي سلسلة CSG (CSF) محامل متقاطعة للمخفضات التوافقية الموردين و سلسلة CSG (CSF) محامل متقاطعة للمخفضات التوافقية مصنع. تأسست الشركة في عام 1969 وتحولت إلى مؤسسة خاصة في عام 2001. ولديها تاريخ لأكثر من 50 عامًا من البحث والتطوير الاحترافي وتصنيع وبيع المحامل. لقد كانت الشركة المصنعة الأولى المعينة في البلاد لدليل الصاري والمحامل الأسطوانية المتسلسلة. الشركة الرائدة في صياغة المعايير الفنية JB/T7360 وواحدة من الدفعة الأولى من الشركات المتخصصة الجديدة "Little Giant" في البلاد.
شهادة الشرف
  • جائزة التميز في الإنتاج لعام 2019
  • جائزة التميز في الإنتاج لعام 2016
  • جائزة التميز في الإنتاج لعام 2012
  • مورد ممتاز
  • مورد ممتاز
  • مورد ممتاز
  • جائزة القوة الذهبية
  • مورد ممتاز للأجزاء المساعدة
  • الشركات الوطنية الرائدة في مجال التصنيع (المنتجات)
  • الشركات العملاقة الصغيرة في مقاطعة جيانغسو
  • صناعة المحامل الوطنية
  • صناعة المحامل الوطنية
أخبار

15050632597

+86-15050632597

15050632597